Drenaažitoru põlve on vajaliku nurga all painutatud osa. Möödaviik on kasutusel peaaegu kõigis äravooludes, et edukalt ühendada drenaažisüsteem ja setet koguv lehter, ületada arhitektuursed takistused ja kaitsta vundamenti.
Toote otstarve

Küünarnukk näeb välja nagu lühike toru, mis on painutatud 45, 60 või 90 kraadise nurga all. Sellel elemendil on mitu olulist funktsiooni:
- Drenaažisüsteemi vertikaalne osa kinnitatakse seinale võimalikult lähedale - 3–5 cm kaugusele, kuid vee kogumiseks mõeldud lehter jääb vertikaalsest kaugemale. Neid saab ühendada ainult põlvede paari abil.
- Hooned on varustatud karniiside, erkerite, sammaste ja muude arhitektuuriliste elementidega. Sirgete drenaažiliinide kokkupanek ei ole võimalik. Kõige raskematel juhtudel kasutatakse kuni kuut põlve.
- Põlvetükk aitab korraldada äravoolu. Kui vedelik voolab äravoolust otse, valgub see otse pimealale ja võib kahjustada seina ja vundamenti. Vahemaa suurendamiseks asetatakse kanalisatsioonitoru alumisele osale vajaliku pikkusega möödaviik.
Mõnikord kasutatakse märke dekoratiivsetel eesmärkidel proportsionaalse kompositsiooni loomiseks. Need on põhisüsteemiga võrreldes valmistatud kontrastset värvi.
Elementide tüübid
Osad jagunevad sõltuvalt konfiguratsioonist ja materjalist.Möödaviiguelementide valmistamiseks kasutatakse peamiselt järgmist:
- terasesulamid, mis on eelnevalt tsingitud;
- roostevaba teras;
- polümeersed materjalid, enamasti PVC.
Viimast võimalust eristavad eelarvekulud ja niiskuskindlus. Polüvinüülkloriid ei saa aga kiidelda suurenenud tugevusega ja võib puruneda, kui see on paigaldatud jämedalt või otsesel löögil.
Tsingitud terasest markerid on vastupidavamad. Samuti kaaluvad need vähe ja neid on lihtne paigaldada, kuid teevad halva ilmaga palju müra ja võivad aja jooksul roostetada, kui tsingitud kiht on kahjustatud.
Roostevabast terasest valikud on kõige vastupidavamad. Kuid sellised süsteemid on üsna kallid.
Drenaažisüsteemide jaoks on kombineeritud võimalused. Näiteks kui äravoolu põhikorpus on valmistatud tsingitud terasest ja kaetud polümeeriga. Samuti ühendavad nad ühes süsteemis metall- ja PVC-osi. Näiteks tsingitud lehtri saab põlve abil ühendada plastikust äravoolutoruga.
Möödaviigu osad võivad gofreerida. See annab tootele paindlikkuse – seda saab kohandada hoone mis tahes arhitektuurilise eripäraga. Jäigade mudelite puhul on nurk alati konstantne. Need on vastupidavamad ja ummistuvad vähem.
Kvaliteedinõuded igat tüüpi põlvedele on väga kõrged. Ühendusosad on tugiõmbluste olemasolu tõttu kõige haavatavamad. Nendes kohtades hakkab süsteem kokku kukkuma.
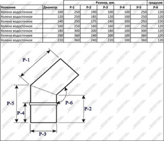
Toodete suurused

Märgi pikkus ei ületa tavaliselt kummalgi küljel 35 cm. Kui karniisi ja seina vaheline kaugus on suurem, kinnitatakse sobiva käänaku möödaviiguosad täiendava toruosa abil. Nii saavutavad nad elementide joondamise ka kõige ebamugavamates kohtades.
Mida väiksem on tõusunurk, seda vabamalt voolab vesi läbi äravoolu. Tõenäoliselt koguneb praht järskudel kurvides. Seetõttu püüavad nad kasutada ristkülikukujulisi tooteid nii harva kui võimalik.
Vajaliku segmendi suurus võrdub karniisi ja seina vahekaugusega soovitud nurga all, võttes arvesse renni ja drenaažisüsteemi mõõtmeid.
Tsingitud või polümeerist äravoolutoru põlve ristlõige on standardne - alates 10 cm ja üle selle. Kui süsteem on valmistatud eritellimusel, siis reguleeritakse ühendusdetailid vajalikele mõõtudele. See kehtib ka plastikust ja metallist drenaažipõlvede suuruste kohta.
Paigaldusfunktsioonid

Polümeeridest ja metallist valmistatud toodete paigaldamine erineb veevõtukohaga ühendamise etapis. Toru plastikust möödaviiguosa paigaldatakse kummitihendi abil. On vaja luua suletud torujuhe. Tihendusrõngas kinnitatakse spetsiaalse liimiga.
Terasest väljalaskeava asetatakse veevõtulehtrile ja kinnitatakse spetsiaalse klambriga. Drenaažiosaga ühendamise viis sõltub viimase tüübist.
Edasine kokkupanek on identne mis tahes materjalidest valmistatud toodete puhul. Vertikaalsel tasapinnal asuv äravool on ühendatud teise põlvega ja kinnitatud klambritega. Seejärel paigaldatakse süsteem ühenduspistikute abil.
Osa hind on madal. Sõltuvalt materjalist on see vahemikus 100 kuni 500 rubla. Kasumlikum on neid osta tootjatelt või kogu äravoolu komplektina.
Metalltoodete valikul keskenduge vuugi õmbluskinnituse töökindlusele, mis on eelkõige allutatud koormustele kogu drenaažisüsteemi ulatuses ja sageli lõhub seda.Enamasti juhtub see talvel ja kevadel, kui sademeid on palju, katusel sulab jää ja lumi, kuid väljas püsib negatiivne temperatuur.











