Tarbitud elektrienergia arvestuseks kasutatakse kolme faasi otseühenduse kontrollereid. Kolmefaasilist arvestit saab paigaldada piirkondadesse, mille kombineeritud seadmete võimsus on üle 12 kW või 60 A, sealhulgas eluruumidesse.
- Vajadus kolmefaasilise mõõtmise järele
- Disaini ja töö omadused
- Analoogmudelid
- Elektroonilised mudelid
- 3 faasiga ühendamise eelised
- Kaasaegse kolmefaasilise arvesti eripära
- Elektriarvestite tüübid
- Ühendusskeemide sordid
- Kolmefaasiline otseühendusarvesti
- Arvesti ühendamine poolkaudsel viisil
- Kaudse arvesti ühendamise meetod
- 3 faasi arvesti valimise nüansid
- Kolmefaasilise arvesti kasutamine ühefaasilisena
Vajadus kolmefaasilise mõõtmise järele

Kehtivad määrused kehtestavad nõude kasutada mitmefaasilisi mõõteseadmeid tarbijavõimsusega 15-20 kW. Selle indikaatoriga jõuab vooluahela vool 70 A-ni, mis on korterite jaoks vastuvõetamatu.
PUE näitab ka, et kaasaegne toitesüsteem on mõeldud 380 V jaoks ja ainult 3-faasiline seade saab seda õigesti arvesse võtta. Kogu energiatarbimist saab jaotada 3 südamiku peale, nii et igaühel on umbes 2,5 A koormus.
Kolmefaasiline süsteem on universaalne, kuna tagab kodumasinate ohutu töö, vähendab juhtme temperatuurikoormust ja hoiab ära inimeste vigastused.
Kolmefaasiline kontroller eramajas nõuab olulisi materiaalseid investeeringuid.
Disaini ja töö omadused

Et mõista 3-faasilise arvesti tööpõhimõtteid võrgus nimivõimsusega 15 kW või rohkem, tasub mõista selle konstruktsiooni. Standardseade koosneb järgmistest osadest:
- kokkupandav korpus;
- kaks mähist - pinge ja vool;
- alumiiniumketas;
- magnetketta kork;
- tiguseade;
- loendusseade.
Seadme tööpõhimõte sõltub selle tüübist.
Analoogmudelid

Elektrienergia läbib voolupooli, luues elektromagnetvälja. Järgmisena tekib pöörisvool, mis tagab alumiiniumketta pöörlemise. Väändejõud edastatakse tiguülekande kaudu loendusmehhanismile, mis registreerib elektritarbimise.
Mida suurem on pooli koormus, seda kiiremini loetakse kilovatte.
Elektroonilised mudelid
Arvesti konstruktsioon sisaldab analoog-digitaalmuundurit. Sellest saadetakse impulsid sagedusgraafiku järgi mikroskeemi. Kolmefaasiline elektrooniline arvesti mikroskeem salvestab teabe ja kuvab selle ekraanil.
Elektroonilised seadmed ebaõnnestuvad sageli pingekõikumiste tõttu.
3 faasiga ühendamise eelised

Mitmetariifse arvesti paigaldamisega saavad kodu- või korteriomanikud palju eeliseid:
- kokkuhoid - mõnel mudelil on päevane ja öine laadimisrežiim, mis võimaldab öösel vähem energiat kasutada kui päeval;
- mitmekülgsus - seadmeid saab ühendada otse või trafo kaudu tavalisse 220 V võrku või uude 380 V võrku;
- pidev jälgimine - arvesti tasakaalustab võrgu pinget;
- täpsus - tarbitud elektriarvestus toimub veaga 0,2 kuni 2,5%;
- lisafunktsioonid - arvestid on varustatud sündmuste logi, elektritoite modemi, kasutajasalvestuse ja monitoriga andmete väljastamiseks.
Ühefaasiline versioon annab vea kuni 5%.
Kaasaegse kolmefaasilise arvesti eripära

Mitmefaasiline seade peab olema töökindel, vastupidav ja täpselt edastama näitu. Seetõttu on kaasaegsete tootjate mudelid varustatud järgmiste funktsioonidega:
- aktiiv- ja reaktiivelektri jälgimine;
- enesediagnostika kättesaadavus;
- näitude võtmine mitme tariifiga;
- vahejuhtumite registreerimine joonel noodipäevikus.
Mõned seadmed ühilduvad nutitelefonidega, mis võimaldab näitu kaugjuhtimisega jälgida.
Elektriarvestite tüübid
Tootjad toodavad kolme tüüpi 3-faasilisi elektriarvestiid:
- Otseühendus - sarnaselt ühefaasilistele on ühendatud 380 või 220 V võrku Seadmete läbilaskevõime on kuni 60 kW, maksimaalne vool ei ületa 100 A. Juhtmed ristlõikega 1,5. Ühendamiseks sobivad -2 mm2.
- Poolkaudne ühendus - visatakse läbi trafo, seega sobib suure koormusega võrkudesse. Näidud arvutatakse, korrutades eelmiste ja järgnevate andmete vahe teisendussuhtega.
- Kaudne ühendus - ühendus toimub pinge- ja voolutrafode kaudu.Kasutatakse elektrienergia mõõtmiseks kõrgepinge integreerimisel.
Seadme ühendusskeem sõltub selle tüübist.
Ühendusskeemide sordid
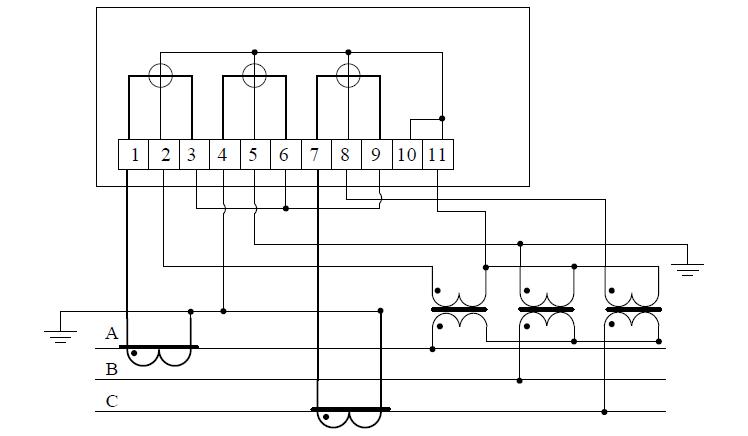
Kolmefaasiline otseühendusarvesti
- Kaablilt eemaldatakse 5 mm isolatsioonikiht. Oksüdatsioon eemaldatakse lahustiga.
- Juhtmed on ühendatud arvesti jaoks paigaldatud kolmepooluselise kaitselülitiga. Seda tehakse selleks, et kaitsta seda elektriliini lühise eest.
- Seadme klemmiosa sisaldab kontakte.
- Paaritu numbriga need on ühendatud automaatse toitelüliti 3-faasilise juhtmega.
- Sisend- ja väljundneutraalid on ühendatud klemmidega nr 7 ja nr 8.
- Peale raamatupidamismooduli paigaldamist paigaldatakse sissejuhatava tootega sarnane masin.
- Lüliti on ühendatud paarisnumbritega klemmidega.
- Seadmed on jagatud rühmadesse ja iga faasi jaoks (220 V pingega võrkude jaoks) paigaldatakse automaatsed masinad.
Ühendusskeemi omadused on näha klemmiploki kaanel.
Arvesti ühendamine poolkaudsel viisil
Mõõtetrafodega on ühendatud poolkaudne elektriarvesti. Peate arvutama kasutatava energia koguse konversiooniindeksi põhjal. Selleks kasutage ühte järgmistest skeemidest:
- Kümnejuhtmeline. Teil on vaja 11 juhtmest, mis ühendatakse paremalt vasakule. Faas A on ühendatud esimese 3-ga, faas B teise 3-ga. Kaablitele nr 7-9 lisatakse faas C, kümnendale neutraalne. Kolmefaasiline toiteallikas tuleb ühendada testplokkide abil.
- Täht.Ahela kasutamine võimaldab vähendada juhtide arvu. Esiteks kogutakse sekundaarmähise esimesed unipolaarsed väljundid ühte ühisesse punkti. Järgmised 3 punkti väljunditest saadetakse loendurile. Voolumähised on ühendatud.
Poolkaudseid mudeleid saab ka visata, ühendades vooluahela pingeahelaga.
Kaudse arvesti ühendamise meetod

Minimaalse energiatarbimise korral on kaudne ühendus asjakohane. Kuna suurenenud vool läbib mõõtetooteid, on vaja eraldi trafot. Konverter katkestab ühendamisel voolumähise. Skeemi rakendatakse järjestikku:
- Primaar- ja sekundaarahelate materjalide valik. Esmase jaoks vajate trafo keskosa läbinud paksu juhet. Sekundaarne on keritud õhukesest traadist.
- Trafod visatakse igale faasile ja kinnitatakse jaotuskapi tagaseina külge.
- Primaarjuhtmete otsad ühendatakse masinaga sisendis.
- Primaarahela kontaktide teine osa on ühendatud eraldi 1,5 mm2 ristlõikega juhtmetega klemmidega nr 2, 5 ja 8.
- Sekundaarmähis ühendatakse sarnaste kaablitega mõõteseadme klemmidega - 1 kuni 3, 4 ja 6 ning 7 kuni 9.
- Nulljuhe on ühendatud klemmliistudega nr 10 ja 11.
Kui ühendusjärjestust ei järgita, edastab arvesti valed näidud.
3 faasi arvesti valimise nüansid

Kvaliteetne kolmefaasiline elektriarvesti tagab energiakulude täpse kontrolli ja rahalise kokkuhoiu. Seadme ostmisel peaksite kaaluma:
- Pingeparameetrid, millega seade ühildub, on märgitud korpusel või passis.
- Kui paigaldamine toimub õues, peate tutvuma lubatud temperatuurivahemikuga.
- Arvestusseadmel peavad kruviühendustel olema mustad või punased tihendid. Elektroonilisel seadmel on üks, induktiivseadmel kaks.
- Seadme kontrollimise minimaalne periood on kord 8-16 aasta jooksul. Lühem aeg näitab madala kvaliteediga arvestit.
- Kodumaisele GOST-ile vastavuse sertifikaadi olemasolu ja Vene Föderatsiooni territooriumil paigaldamise luba.
- Paigaldamise tüüp. 3-faasiline elektrikulu arvesti paigaldatakse poltidele või DIN siinile.
- Tihendite eluiga peab arvestil olema mitte rohkem kui 1 aasta.
- Kvaliteetse raamatupidamisseadme täpsusklass on vähemalt 2.
- Toiteindikaatorid. Kui kõik korteri seadmed kokku ei kasuta rohkem kui 10 kW, sobib 60 A modifikatsioon. Näidik alates 10 kW nõuab 100 A seadme paigaldamist.
- Energiaettevõtte esindajatele teabe korrektseks kuvamiseks on vaja automaatset voolujuhtimist.
- Tariifiplaanide saadavus. Kahetariifsed mudelid pakuvad ajakava kella 7–23 ja kella 23–7. Öine tariif näeb ette kulutada 50 vähem elektrit.
Uue arvesti saab ühendada alles pärast volitatud asutuse poolt plommimist.
Kolmefaasilise arvesti kasutamine ühefaasilisena
Vastavalt tehnilistele juhistele võrgule alates 15 kW võib paigaldada 3-faasilised arvestid. Võrguorganisatsioonidel ja Energosbytil ei ole õigust näidata ühendatud faaside arvu. Kuid see kehtib ainult ajutise kasutamise kohta ehitustööde ajal.
Kasutajad, kes otsustavad kolmefaasilise seadme ühefaasilise seadmena sisse lülitada, peavad teadma järgmist.
- pärast seadet saate paigaldada 3 eraldi masinat ja ühendada 3-faasilise kaabli;
- arvestisse tehakse sisend, millest tuleb 1 faas;
- Sellise liini jaoks pole ametlikku luba võimalik saada, kuna 3-faasilist arvestit kasutatakse ainult kolmefaasilises neljajuhtmelises võrgus;
- analoogmudelitel ei saa faase kombineerida;
- elektroonilise paigaldamisel kontrollitakse iga faasi kordamööda;
- võrgu koormus on asümmeetriline, mis toob kaasa seadmete rikkeid, õnnetusi ja vigastusi.
Ühefaasiline kolmefaasiline elektriarvesti annab valed näidud.
3-faasilise toiteallikaga võrgud pakuvad kvaliteetset ühendust suure hulga võimsate seadmetega - kliimaseadmed, elektripliidid, kütteseadmed. Kolmefaasiline elektriarvesti võimaldab suure täpsusega jälgida energiatarbimist, sellel on mitu tariifi ja võimalus paigaldada õue.












